Schmier- und Dosiertechnik sind unsere Leidenschaft

Unser Liefer & Leistungsspektrum 

Zentralschmiertechnik

Dosiertechnik

Minimalmengenschmierung

Hydraulik

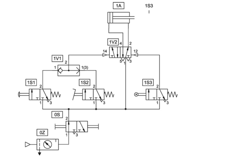
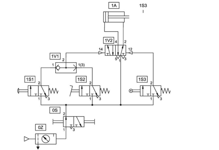
Pneumatik

Wir stehen für 

  • Umfangreiches Basis-Sortiment, lieferbar für die Pneumatik, Hydraulik und Schmiertechnik
  • Nahtlose Integration von kundenspezifischen Lösungen 
  • Aufbau und Zusammensetzung von erfahrenen Spezialisten 
  • In-house Testeinrichtungen für alle Komponenten
  • Maßgeschneiderter Service, der gut auf Ihre Bedürfnisse passt
  • Schnelligkeit und Zuverlässigkeit gehen Hand in Hand
  • Persönliche Kontakte und Aufmerksamkeit für Ihr Problem
  • Ein Experte auf dem Markt mit über 35 Jahren Erfahrung